C6dev
A tiny and low power dev board for the ESP32-C6
Total time: 19 hours
July 26th: Started researching
Started looking for and reasearching a bunch of chips from Expressif and STMicroelectronics
Most interesting ones:
- ESP32-S3
- ESP32-C3
- ESP32-C6
- STM32F407
- STM32F746
Total time spent: 1h
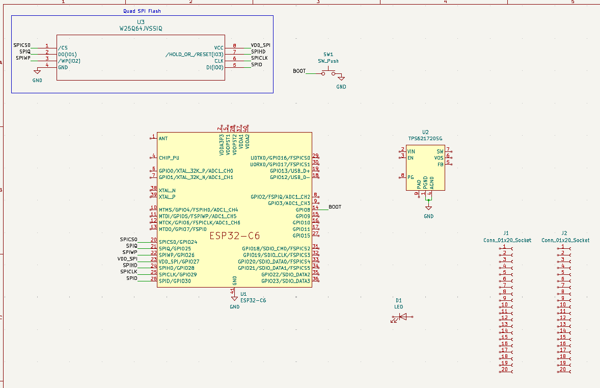
July 26th pt2: Made a choice and started designing the schematic
I ended up choosing the ESP32-C6 for it's low power consumption, speed, relatively low complexity and availability

Total time spent: 1h
July 26th pt3: More schematic making :sob:
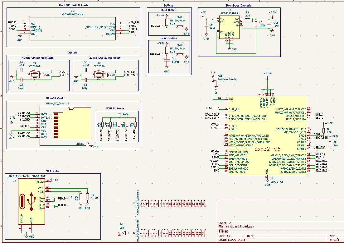
Tried to actually use net labels propperly and follow best practices while keeping the schematic clean and already have a 5v to 3.3v step down, crystals, flash, usb c, boot/reset buttons and a microSD.

Schematicsssss
- https://jlcpcb.com/api/file/downloadByFileSystemAccessId/8588949628351471616
- https://jlcpcb.com/api/file/downloadByFileSystemAccessId/8588881904569356288
- https://www.espressif.com/sites/default/files/documentation/esp32-c6_datasheet_en.pdf
Total time spent: 3h
July 26th pt4: Finishing up the schematic
Should be finished with the schematic will double check everything for errors and start the with the PCB

Total time spent: 2h
July 27th: PCB done (i think)
KiCad autosave is the best thing ever made by humanity
I thought that i had lost almost 2 hours of work but thankfully autosave saved me (don't ask why i didn't save for 2 hours, i don't know either)
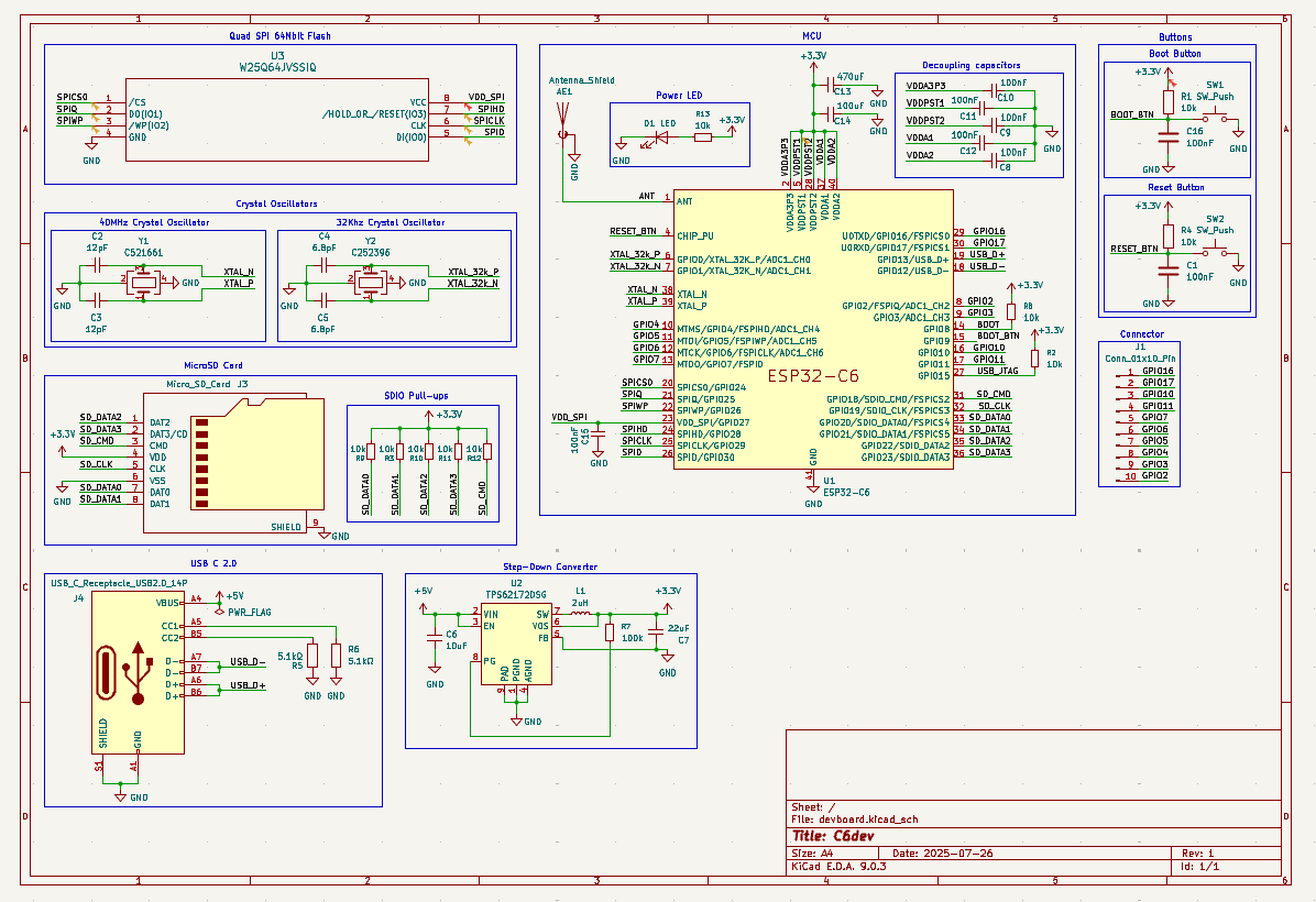
After a lot of pain and suffering, and forgetting to place the pullups on the SDIO lines, the PCB is mostly finished and only needs some finishing touches

im about 1% confident that the antenna will work
Also fixed some minor issues with the schematic

Total time spent: 6h
July 27th pt2: Polishing
Polishing tiny details on the PCb and adding silkscreen as well as checking prices
Total time spent: 1h
July 27th pt2: SILKSCREEEEEEN
PCB was looking extremely boring so ofc i had to spend copious amounts of time adding silkscreen art :3
(it's still not done, i need MORE)


The back is still quite empty and that will be dealt with later
Total time spent: 2h
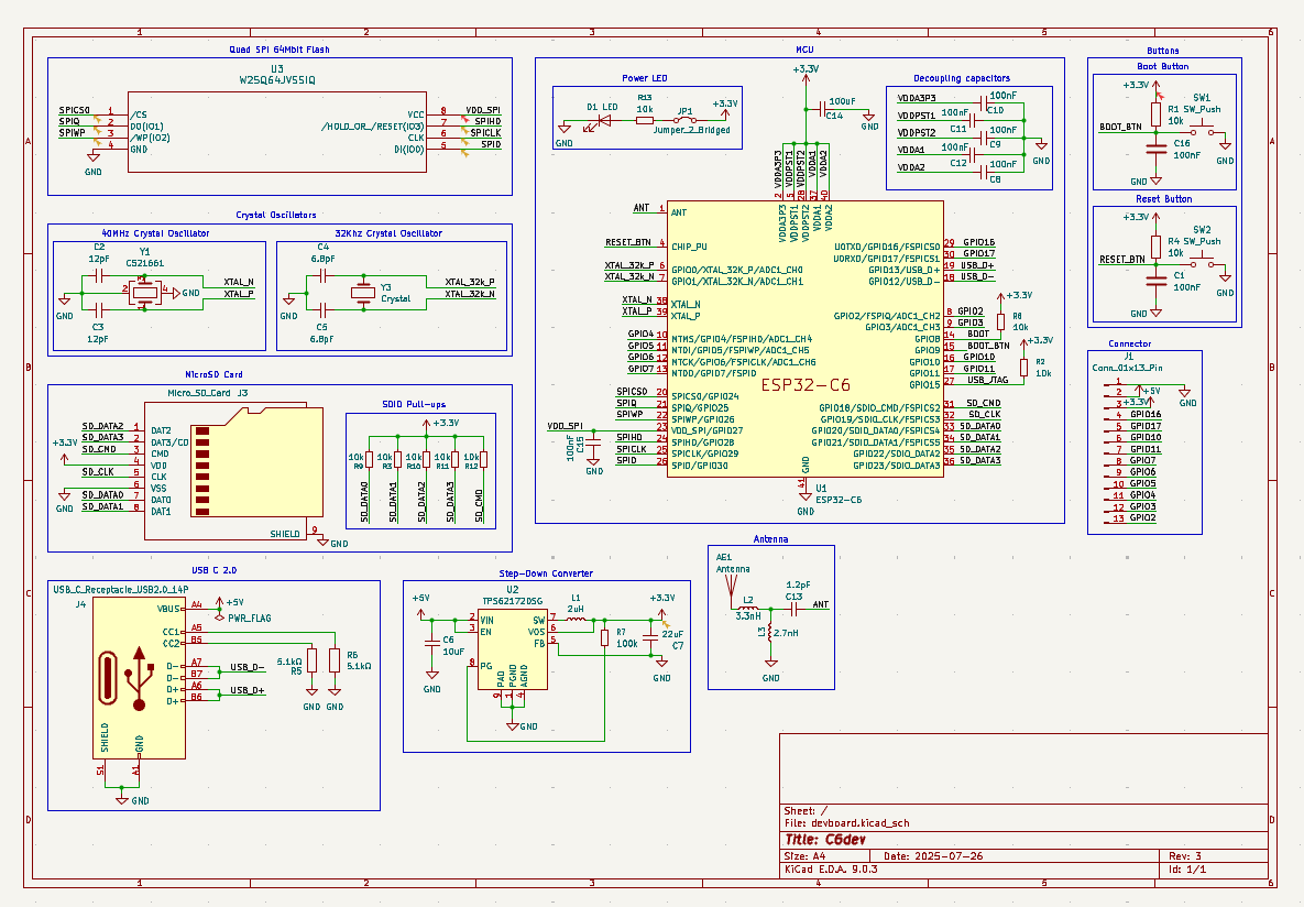
July 28th: A lot of polish :3
Got all od the missing 3D models to make a cool PCB image and added a bunch of helpful and fun silkscreen stuff


The state of the PCB now :sob:

Total time spent: 2h
July 28th: README stuffs
Finished the README and BOM and double checked if im missing anything
Total time spent: 1h