Total time: 21 hours
July 24th: Started researching
Started looking for thermal cameras that fit in the budget and an MCU that could do some simple overlay GUI on the display
Datasheets and stuff:
- $66.50 - Melexis MLX90640
- $6.29 - ESP32-WROOM-32E-N8R2
- $19.95 - PowerBoost 1000 Charger
- $19.95 - 2.0" 320x240 Color IPS TFT Display
Total time spent: 4h
July 24th pt2: Kicad go brrrr
Copious amounts of rewiring and having to remake the PCB twice because it looked horrible later...
It looks... well... decent :sob:


The vision is there just not sure if it will turn out looking like a melted box :pf:
Total time spent: 5h
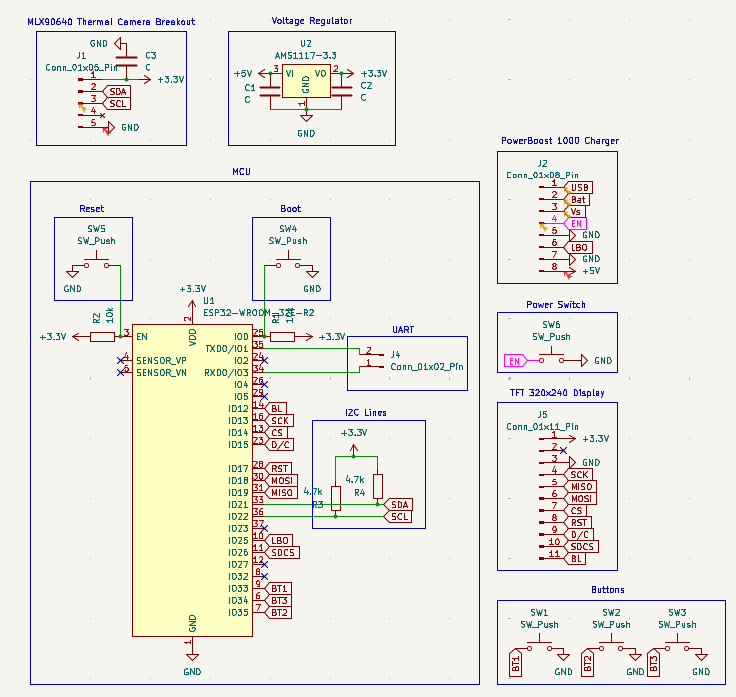
July 24th pt3: Schematic looks less bad now
Cleaned up the schematic and made it look less like a horrible mess and more like an actual schematic :D

i don't even know what rev this is :sob:
Total time spent: 1h
July 25th: CADDDDDD (i suck at 3D modeling)
Yes, thats Commic Sans
Made the case and it's now looking less bad :sob:
Has some pins to align the PCB and fix it in place and supports that should make it sturdier
The headers have holes so i can tap into them while the case is assembled, it doesn't look the best but should help with debugging/making the software


Sadly the only model that existed was for the screen so i made the tolerances for the charger and camera less tight so the yactually fit
Total time spent: 3h
July 25th p2: My brain isn't working
Remembered that parts don't stick together with magic so i made some adjustments for parts to snap to the correct place


Also adjusted some tolerances to avoid having to sand stuff down
Total time spent: 2h
July 25th p3: BOM stuff
Some more BOM calculations:
- $19.95 - 2.0" 320x240 Color IPS TFT Display
- $66.50 - MLX90640 Thermal Camera Breakout
- $19.95 - PowerBoost 1000 Charger
- $xxxx - PCB
Total time spent: 1h
July 25th p4: BOM stuff
Swapped out the resistors and capacitors for THT variants to save on cost and changed some routing

Total time spent: 1h
July 25th p5: Sad times
I was using the wrong ESP32 and the version with PSRAM (what i need) is out of stock everywhere so ill have to swap it out to the S3 which has a completely different footprint AAAAAAAAAAAAAA
Had to do a full rewire D:

Kept everything in the same spot to avoid having to redo the CAD :sob:
Total time spent: 3h
July 25th p6: Checking prices
Calculated the prices at checkout and arrived at this:
- $6.16 - PCB
- $17.19 - Components
Total time spent: 1h
July 26th: AliExpress maxxing
Changing stuff to AliExpress to save on cost
Total time spent: 1h
July 26th pt2: Cheaper display
Had to use a display from AliExpress that has a very different pinout so it required some rewiring


Total time spent: 1h