Snakehunter

Created by @nadoooor

This is my journal where i will write my journy building this device.

Total spent hours on this project: 19.5 Hours

5/7/2025 july

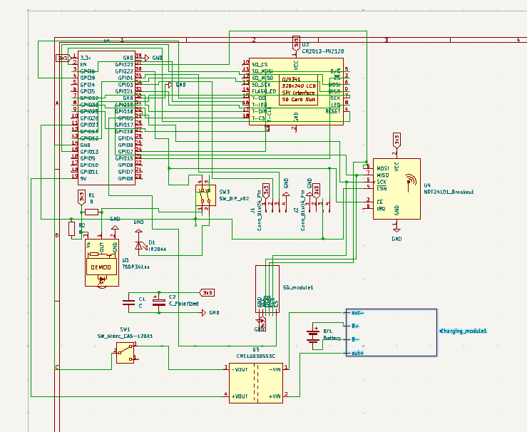
I searched about ESP32 and knew a lot about ESP32 mardauder and another software that i can use it called bruce and found a schematic that i can use as a refrence. and made the schematic and slept on the laptop 🥲👍. and learned about nRFID and 2.2ghz signals and how they work. and learned about the IR. and i am very exited to copy my TV's remote signal and emitte it with the device again.

The schematic:

alt text

Time : 9 hours

6/7/2025 july

Collected all the 3d models to add it into onshape so i can make my case.
and i finished the case and the project is all ready i guess i need only to collect the BOM and calculate it.
### the final case: 250707_06h53m21s_screenshot 250707_06h52m38s_screenshot
the on shape doc: onshape
I made the case in 6 hours and iam very happy that i made it that quick because i have learned onshape when i made my snakepad.

Time: 6

12/7/2025 july

I search for all the BOM and added it to the BOM list and calculated the total money for it. i will buy the most of the electronics from Most electronics store in my country. Now, i think it is all done and i can submit the project so happy that i have finished it.

Time: 1 hour

6/8/2025 agust

I edit the case to be more polished added a Skull and the hackclub flag and edited the colors to be more cool and added my name with a heart i draw it.
Images:
image

image

image
Also i made the schematic more cleaner then before by using the global labels.

Images:
image

Time: 3.5 hours.